GuindastesGuindautosOutros EquipamentosServiçosBlogSolicitar cotaçãoSolicitar locaçãoTrabalhe conoscoFale conosco
Comprar/alugar containers? Conheça a MEHTA

Serviços
Planos de Rigging

Plano de Rigging | Brasília - DF

Plano de Rigging para içamento de bomba em obra da EMSA em 2018. 

Equipamentos utilizados:

Plano de Rigging | Santa Helena - GO

Plano de Rigging para içamento de comporta segmento em obra da PCH Ype em 2016 com a SAC 2200. 

Equipamentos utilizados:

Plano de Rigging | Santa Helena - GO

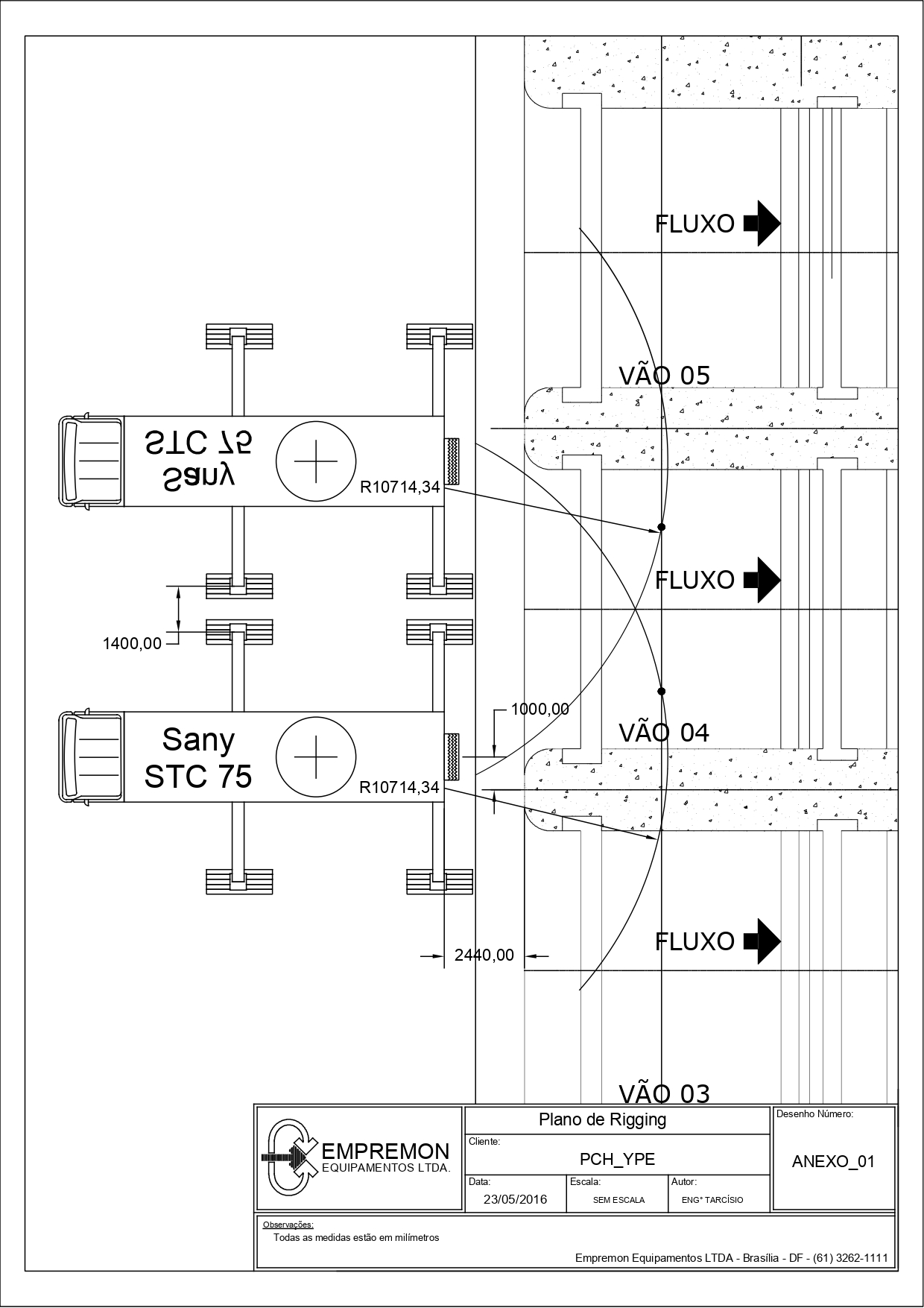
Plano de Rigging para içamento de comporta segmento em obra da PCH Ype em 2016 com a STC 75 e STC 1000.

Equipamentos utilizados: